fbpx

Ваш код клиента: 835001

Кабинет дилера

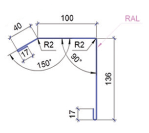
Планка ветровая - Харьков

Назначение:
Область применения:
RAL 5005
Цвет

Планка ветровая: предназначение, особенности, монтаж

Планка ветровая или ветровик – это специальный кровельный аксессуар в виде металлической планки, которая усиливает кровельную конструкцию. Она защищает края кровли от осадков, влаги, ветра, попадающих под крышу сбоку. Устанавливают планку на торец ската.

 

Предназначение планки ветровой

Данное приспособление придает крыше более привлекательный и законченный внешний вид, но при этом также играет важную защитную функцию:

  • Сильный боковой ветер легко может повредить и даже сорвать кровельное покрытие. А ветровики на крышу дома снижают интенсивность ветра.
  • Долгосрочность эффективной работы «кровельного пирога» напрямую зависит от качества защиты деревянных элементов от влаги. Планка препятствует попаданию под обрешетку атмосферных осадков.
  • Предотвращается попадание мелких птиц, насекомых в чердачное помещение.
  • Ветровик обеспечивает наилучшее соединение с софитами, скрывает щели между крышей и панелями сайдинга.

Поэтому для надежной защиты крыши стоит приобрести ветровики на крышу дома, цена которых в компании «Сталекс» отличается доступностью, а сами изделия – высоким качеством.

 

Характеристики ветровой планки

  • Стандартные изделия изготавливают длиной 2 метра. А эффективная длина – 1,9 метра.
  • Шириной ветровики бывают разными, выбирают их, исходя из рельефа покрытия, конструкционных особенностей крыши. Так узкие планки крепят на плоские крыши с минимальной волной и толщиной покрытия. Если используется металлочерепица, тогда требуется широкое изделие. От ширины во многом зависит цена ветровой планки.

Изготавливаются из оцинкованной стали, толщина которой составляет 0,4-0,5 мм. Используемое защитно-декоративное покрытие значительно увеличивает срок службы ветровика.

Монтаж можно осуществить самостоятельно, но следует учитывать некоторые особенности.

 

Ветровая планка для профнастила

В первую очередь, к обрешетке с торцевой стороны крепится деревянный брус. К нему специальными саморезами внахлест прикручивается ветровик, шаг 40 см. Монтаж осуществляется снизу-вверх. Стыки обрабатывают герметиком, для предотвращения коррозии. Края планок закрывают заглушками.

 

Ветровики для металлочерепицы

Устанавливается планка после укладки кровельного покрытия, а также крепления карнизов, водостоков. Монтируют на волну выше, чем уровень обрешетки. Для обеспечения качественной герметизации применяют уплотнитель. Соединяют планку с металлочерепицей саморезами. Уровень нахлеста составляет в среднем 50 см.

Купить планку ветровую по оптимальной цене можно у нас на сайте. А можно обратиться в наше официальное представительство или к партнерам, которые работают по всей Украине и не только. Их адреса находятся в разделе «Где купить».

Планка ветровая
Тип1
 full vetr tape1  planka veter 1
Планка ветровая
Тип2
 full vetr tape1  planka veter 2
Планка ветровая
Тип3
 full vetr tape1  planka veter 3
Планка ветровая
Тип4
 full vetr tape1  planka veter 4
Планка ветровая
Тип6
 full vetr tape1  planka veter 6

Информация

Планка ветровая: предназначение, особенности, монтаж

Планка ветровая или ветровик – это специальный кровельный аксессуар в виде металлической планки, которая усиливает кровельную конструкцию. Она защищает края кровли от осадков, влаги, ветра, попадающих под крышу сбоку. Устанавливают планку на торец ската.

 

Предназначение планки ветровой

Данное приспособление придает крыше более привлекательный и законченный внешний вид, но при этом также играет важную защитную функцию:

  • Сильный боковой ветер легко может повредить и даже сорвать кровельное покрытие. А ветровики на крышу дома снижают интенсивность ветра.
  • Долгосрочность эффективной работы «кровельного пирога» напрямую зависит от качества защиты деревянных элементов от влаги. Планка препятствует попаданию под обрешетку атмосферных осадков.
  • Предотвращается попадание мелких птиц, насекомых в чердачное помещение.
  • Ветровик обеспечивает наилучшее соединение с софитами, скрывает щели между крышей и панелями сайдинга.

Поэтому для надежной защиты крыши стоит приобрести ветровики на крышу дома, цена которых в компании «Сталекс» отличается доступностью, а сами изделия – высоким качеством.

 

Характеристики ветровой планки

  • Стандартные изделия изготавливают длиной 2 метра. А эффективная длина – 1,9 метра.
  • Шириной ветровики бывают разными, выбирают их, исходя из рельефа покрытия, конструкционных особенностей крыши. Так узкие планки крепят на плоские крыши с минимальной волной и толщиной покрытия. Если используется металлочерепица, тогда требуется широкое изделие. От ширины во многом зависит цена ветровой планки.

Изготавливаются из оцинкованной стали, толщина которой составляет 0,4-0,5 мм. Используемое защитно-декоративное покрытие значительно увеличивает срок службы ветровика.

Монтаж можно осуществить самостоятельно, но следует учитывать некоторые особенности.

 

Ветровая планка для профнастила

В первую очередь, к обрешетке с торцевой стороны крепится деревянный брус. К нему специальными саморезами внахлест прикручивается ветровик, шаг 40 см. Монтаж осуществляется снизу-вверх. Стыки обрабатывают герметиком, для предотвращения коррозии. Края планок закрывают заглушками.

 

Ветровики для металлочерепицы

Устанавливается планка после укладки кровельного покрытия, а также крепления карнизов, водостоков. Монтируют на волну выше, чем уровень обрешетки. Для обеспечения качественной герметизации применяют уплотнитель. Соединяют планку с металлочерепицей саморезами. Уровень нахлеста составляет в среднем 50 см.

Купить планку ветровую по оптимальной цене можно у нас на сайте. А можно обратиться в наше официальное представительство или к партнерам, которые работают по всей Украине и не только. Их адреса находятся в разделе «Где купить».

Ассортимент

Планка ветровая
Тип1
 full vetr tape1  planka veter 1
Планка ветровая
Тип2
 full vetr tape1  planka veter 2
Планка ветровая
Тип3
 full vetr tape1  planka veter 3
Планка ветровая
Тип4
 full vetr tape1  planka veter 4
Планка ветровая
Тип6
 full vetr tape1  planka veter 6
Цена: 0.00 EUR